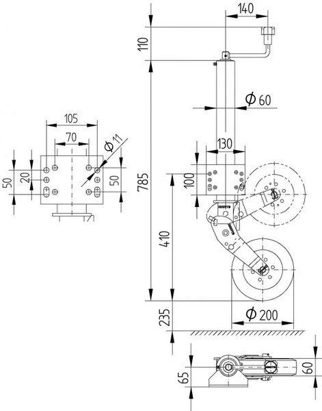
Roue jockey automatique KNOTT ATK60 avec poignée 250 kg 60 mm 785-1020 mm
- La roue jockey automatique ATK60, avec son tube de 60 mm de diamètre et sa capacité de charge maximale de 250 kg, assure une stabilité optimale de la remorque à l'arrêt. Elle facilite les manœuvres, l'attelage et le dételage, pour un confort et une sécuri
Roue jockey automatique KNOTT ATK60 avec poignée 250 kg 60 mm 785-1020 mm
La roue de support ATK60 de KNOTT est équipée d'un tube d'un diamètre de 60 mm et d'une longueur totale de 785 mm roue comprise , ce qui assure une structure solide et stable et un fonctionnement confortable même avec une barre de traction plus haute.
Le produit est doté d'un support de fixation soudé en usine de 130 x 100 mm , avec des trous de fixation de 11 mm de diamètre. Cette solution élimine le besoin d'un collier supplémentaire, simplifie l'installation et accroît la durabilité de l'ensemble de la connexion.

Charge admissible
La charge admissible à l'arrêt est de 250 kg , assurant un support stable et sûr à la remorque lors des opérations de chargement, de déchargement et des arrêts prolongés . Une capacité de charge correctement choisie garantit un support fiable pour le timon, réduit le risque de basculement et améliore le confort de travail autour de la remorque. Le respect des valeurs de charge maximales est essentiel pour préserver la durabilité du mécanisme, protéger les composants structurels contre les surcharges et assurer un fonctionnement optimal et durable du produit.

Longueur d'extension
L'extension de la roue jockey est de 235 mm , offrant une plage de réglage en hauteur du timon suffisante. La hauteur avec la roue déployée est de 785 mm, et la hauteur maximale avec l'extension atteint 1020 mm . Cette plage permet d'adapter facilement la remorque à différentes conditions de terrain et facilite son attelage et son dételage. Une extension appropriée améliore le confort et la stabilité à l'arrêt.

Roue entièrement automatique
La roue jockey est équipée d' un mécanisme de levage entièrement automatique permettant un basculement rapide et aisé en position de transport, sans verrouillage manuel. De plus, elle dispose d'un pied de support entièrement automatique qui repose fermement au sol, améliorant ainsi le confort et la sécurité d'utilisation de la remorque à l'arrêt.

Type de roue
La roue de 200 x 60 mm est équipée d' un pneu en caoutchouc plein , éliminant tout risque de crevaison et garantissant une grande durabilité. La jante en acier renforce la structure, accroît la résistance aux charges et aux dommages mécaniques, assurant un fonctionnement stable et fiable dans diverses conditions d'utilisation.

vilebrequin avec palier de butée
La manivelle est équipée d' une butée à billes , ce qui améliore considérablement le confort. Cette butée réduit les frottements lors du fonctionnement, assurant ainsi un mouvement plus fluide et plus léger de la manivelle . Par conséquent, la montée et la descente du dérailleur nécessitent moins d'effort et sont plus confortables, même sous de fortes charges.

Protection anticorrosion
La roue jockey est fabriquée en acier électro-galvanisé , offrant une protection efficace contre la corrosion et une longue durée de vie, même en cas d'utilisation intensive en extérieur. Le revêtement de zinc protège les composants en acier de l'humidité, du sel de déneigement et des intempéries, augmentant ainsi la durabilité et la résistance de la structure aux dommages.
Une roue jockey est un accessoire pratique pour remorque qui stabilise celle-ci à l'arrêt et facilite les manœuvres et le déplacement dans une cour, une allée ou un camping. Elle permet d'atteler et de dételer facilement la remorque, ainsi que de la positionner avec précision. Les roues jockey sont conçues pour stabiliser la remorque ; elles ne sont pas destinées à soulever une remorque chargée . Elles constituent une solution idéale pour les remorques cargo, les remorques à bateaux et les caravanes , améliorant le confort et la sécurité.
Lorsque vous achetez un produit de notre offre, vous bénéficiez d'une garantie de 2 ans. Grâce à cela, vous pouvez l’utiliser sans vous soucier des conséquences d’une éventuelle panne. Soucieux de votre satisfaction, nous avons simplifié au maximum le processus de dépôt de réclamation : il vous suffit de remplir et de soumettre le formulaire disponible sur notre site Web.
Vous avez des questions sur le choix ou l'utilisation de nos produits ? Contactez-nous! Les spécialistes d'Unitrailer se feront un plaisir de vous fournir toutes les informations dont vous avez besoin.
Il n'y a pas de différence en paramètres ni qualité entre les deux. Vous pouvez regarder sur le photos les platines de fixation qui y sont déjà fixées, peut-être une d'eux va vous convenir mieux.












