Collier de serrage pour roue de dérailleur WINTERHOFF KLE60 60 mm
- La pince WINTERHOFF KLE60 est adaptée aux roues jockey et aux supports fixes avec un diamètre de tube de 60 mm. Elle est utilisée sur les remorques porte-voitures et les remorques plateaux. Elle est dotée d'une poignée pratique pour l'ouverture et la ferm
En lot moins cher

Roue jockey avec bride WINTERHOFF ST60-255SB+KLE60 250 kg 60 mm 525-755 mm
Collier de serrage pour roue de dérailleur WINTERHOFF KLE60 60 mm
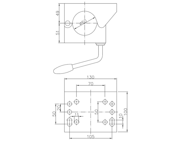
La pince KLE60 de WINTERHOFF est conçue pour le montage d'une roue jockey ou d'un support avec un tube de 60 mm de diamètre, assurant une fixation stable et sécurisée au timon de la remorque. Longue de 130 mm et large de 100 mm , elle offre une surface de serrage optimale et un maintien solide du tube. Dotée de dix trous de fixation de 11 mm de diamètre, espacés de 105 x 50 mm , elle permet un montage simple et précis sur la structure de la remorque.

Charge admissible
La capacité de charge maximale de la pince est de 500 kg , une valeur très élevée qui garantit une fixation exceptionnellement stable et sûre de la roue jockey au timon de la remorque. Cette capacité de charge élevée assure le maintien ferme du tube de support, même sous des charges importantes, minimisant ainsi les risques de desserrage et de déplacement. La construction robuste de la pince accroît la sécurité d'utilisation et la résistance globale du système aux surcharges. Le respect des paramètres de charge maximum garantit la durabilité des composants de fixation et assure un fonctionnement long et sans problème.

Protection anticorrosion
Le collier de serrage de la roue jockey est fabriqué en acier électro-galvanisé , offrant une protection efficace contre la corrosion et une longue durée de vie, même en cas d'utilisation intensive en extérieur. Le revêtement de zinc protège les composants en acier de l'humidité, du sel de déneigement et des intempéries, augmentant ainsi leur durabilité et leur résistance aux dommages mécaniques.
La pince est un élément de fixation essentiel pour la roue jockey ou le pied de support , permettant une fixation stable et sécurisée au timon de la remorque. Elle maintient fermement le tube en place, garantissant la sécurité lors du stationnement et des manœuvres. Elle facilite le soutien du timon, l'attelage et le dételage rapides de la remorque , ainsi que son déplacement manuel dans la cour, l'allée ou l'atelier. Cette solution pratique et fiable, utilisée sur les remorques de transport, les remorques à bateaux et les caravanes , assure durabilité et stabilité structurelle. Par mesure de sécurité, vérifiez la pression du levier et l'état du tube de la roue jockey avant chaque utilisation.
Lorsque vous achetez un produit de notre offre, vous bénéficiez d'une garantie de 2 ans. Grâce à cela, vous pouvez l’utiliser sans vous soucier des conséquences d’une éventuelle panne. Soucieux de votre satisfaction, nous avons simplifié au maximum le processus de dépôt de réclamation : il vous suffit de remplir et de soumettre le formulaire disponible sur notre site Web.
Vous avez des questions sur le choix ou l'utilisation de nos produits ? Contactez-nous! Les spécialistes d'Unitrailer se feront un plaisir de vous fournir toutes les informations dont vous avez besoin.














